1株式会社大垣ケーブルテレビとは?
株式会社大垣ケーブルテレビは、岐阜県に本社を置くケーブルテレビ局で、テレビ放送、インターネットサービスプロバイダ、IP電話を事業内容としています。
【株式会社大垣ケーブルテレビのHPはこちら】

沿革として、1989年に設立され、1992年に放送を開始しました。2000年にインターネット事業を開始しました。
通信サービスとしては、光を提供しています。
2株式会社大垣ケーブルテレビから意見照会書が届いたら?
ある日突然、自宅のポストを開けたら株式会社大垣ケーブルテレビからの意見照会書が届いていた。
その内容を見ると、アダルトビデオをトレントで利用したとして開示請求がされていると書いてある。
慌てて自宅のパソコンを確認すると、自分のパソコンからトレントを通じて違法アップロードがされていたことは間違いなさそうだ。
そうすると、この意見照会書には同意で回答をするしかないのか、不同意での回答の余地はあるのか?
このようなお悩みをお抱えの方は、まずはネットで正しい情報を調べ、できれば弁護士にご相談いただくことをお勧めします。
なお、意見照会書が届いた際の具体的対応などは以下のページをご参照ください。
3株式会社大垣ケーブルテレビの意見照会書の内容について
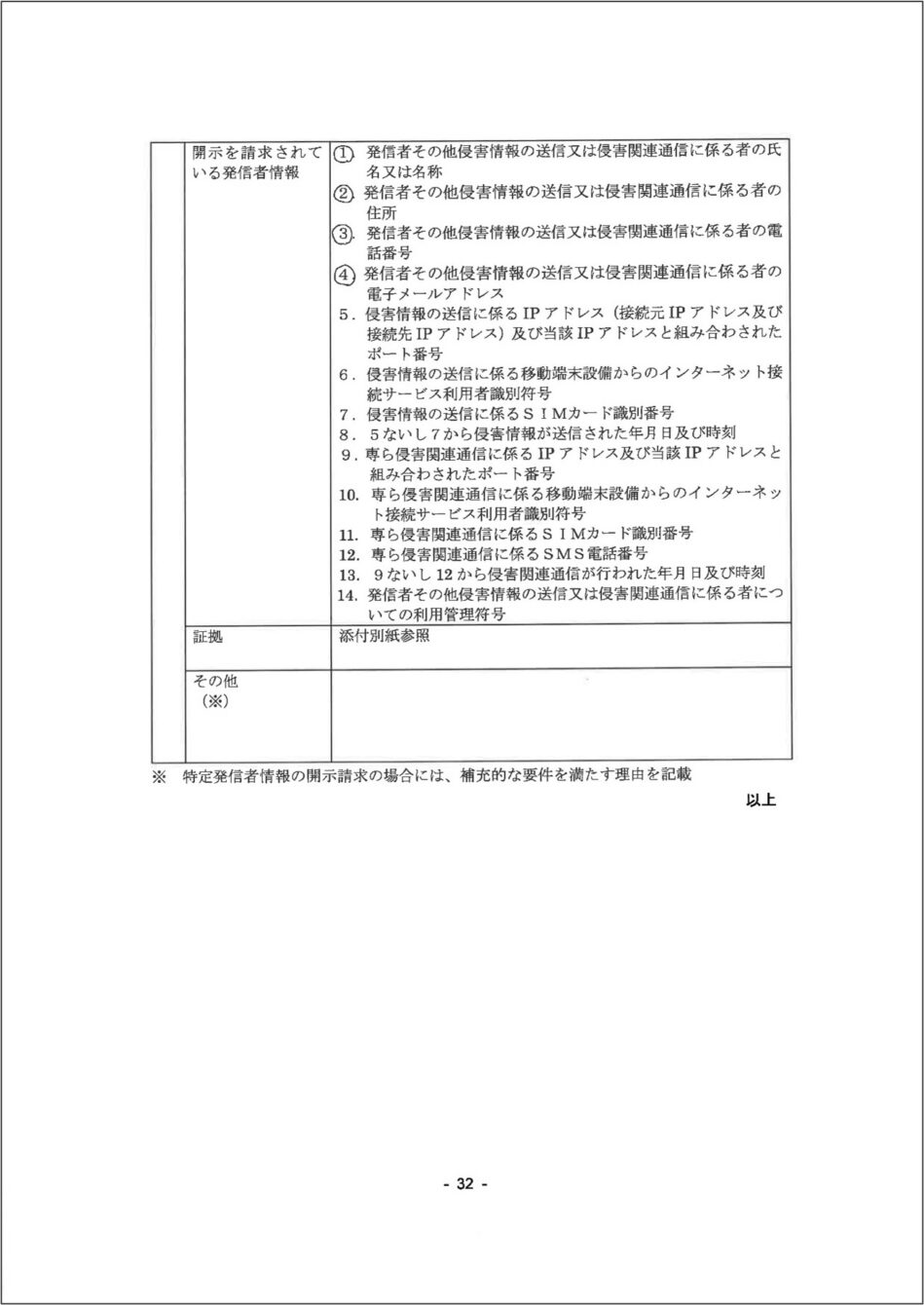
株式会社大垣ケーブルテレビからの意見照会書のひな形は以下のようなものです。






株式会社大垣ケーブルテレビからの意見照会書には、「次葉記載の情報の流通により権利が侵害されたと主張される方から、次葉記載の発信者情報の開示請求を受けました。」と記載があり、代理人弁護士からの「ご連絡」が添付されており、発信者情報開示命令申立て手続きの方法による開示手続きが取られていることが記載されています。
他方でこのような記載がない場合には、いわゆる任意開示請求(テレサ式)と考えてよいので内容をよくご確認ください。当然、ご不明な場合にはお尋ねください。
そして、回答書の提出期限は意見照会書受領日から2週間以内にとされています。
また、期限内に回答できない場合にはその理由を知らせるようにともあります。
また、申立てにかかる関係資料として、甲号証の一部が添付されています。
なお、トレントの利用者が契約者以外の場合には、契約者以外からの回答をよこすようにとなっており、契約名義人以外からの回答を受領するというスタンスをとっています。
4株式会社大垣ケーブルテレビからの意見照会書への回答方法は?
上記のように、株式会社大垣ケーブルテレビからの意見照会書が発信者情報開示命令申立手続きを経ている場合には、実際のご自身のトレント利用状況や示談の可否などに照らし、同意でいくのか、あくまで不同意でいくのかを判断するようになります。
この点、開示請求を無視することのリスクについては別のページに詳細を説明していますのでそちらをご参照ください。

また、意見照会に対して不同意で回答をする場合にはこちらのページをご参照ください。

そもそも開示請求自体が身に覚えのないケースについてはこちらをご参照ください。

さらに、開示請求が今後、続くのではないかとのご不安に対しては複数開示になるケースなどを以下のページに紹介していますのでご参照ください。

どちらがどのようなメリットデメリットなのかの判断が難しい場合には弁護士にご相談いただけたらと思います。
なお、当事務所におけるご相談から解決までのステップ(流れ)は以下のページからご参照ください。
また、ご相談料、弁護士費用は次のページからご参照ください。
5株式会社大垣ケーブルテレビのログ保存期間は?
トレントの利用に伴う開示請求は、次々と続くことがありますが、プロバイダーのログ保存期間さえ経過すればそれ以降は届きません。
そのため、当事務所ではどのようなプロバイダーであっても「ログ保存期間の経過」を経てからの最終的解決を提唱しています。
そのため、プロバイダーのログ保存期間は最終的な示談金の額を決定したり、その解決に向けた判断したりするための非常に重要な情報となりますが、すべてのプロバイダーがこれを開示している訳ではありません。
その前提にはなりますが、株式会社大垣ケーブルテレビのログ保存期間については、当事務所で調査し、把握する限り「非公開」となっております。
このようにログ保存期間が判明していないケースにおいては、これまでなされた開示請求の事案でどの程度古いログまで開示請求の対象になっているかを勘案し、実際のログ保存期間を推測しつつ、長期的に見て対応をとることが重要です。
いずれにしても、当事務所においては、プロバイダーのログ保存期間を踏まえ、以下の3つのお約束に基づく解決をしています。ログ保存期間も踏まえ、最後まで安心で安全な最善の解決をご提案します。
①即示談以外の解決
②複数開示を踏まえた解決
③示談金を払わない解決
詳しくはこちら↓からどうぞ。

